Diagnosing The Issue: A 2004 Opel Corsa with a Z10XE engine failed to start and there was no fuel pressure when tested at the fuel rail using a pressure gauge.
A diagnostic scan tool was connected to the vehicle data link connector and the following codes were retrieved from the engine control module:
- P0201 - Injector Circuit/Open - Cylinder 1
- P0202 - Injector Circuit/Open – Cylinder2
- P0203 - Injector Circuit/Open – Cylinder 3
- P0230 - Fuel Pump Primary Circuit
A section of the electrical wiring diagram for the vehicle can be seen below:

This image displays the circuit layout for the fuel pump relay. Using the data received from the diagnostic trouble codes, the first test point was to measure the voltage at the fuel injectors while the engine was “cranked over”. There was no voltage present at the supply side of the fuel injectors.
The P0230 fault code indicates a fault with the primary section of the relay so a voltmeter was used to measure the supply voltage at pin 86.
With the engine “cranking”, I found system voltage at this pin so I carried out a voltage test at pin 85 under the same conditions.
Initially pin 85 was fully grounded but the engine control module opened the ground circuit after a couple of seconds.
The ECM monitors the current flow through the primary circuit and in the event of a malfunction the ECM will not connect the winding to ground.
The final test was to remove the relay and measure the resistance across the winding (pins 86 and 85). A good relay winding will have a resistance of 60 to 80Ω (ohms) but the relay on this vehicle had a resistance of 340Ω. This indicated a high resistance in the winding.
The relay was replaced and when the ignition was switched on there was system voltage present at the injector supply wires and the fuel pump primed the fuel system.
The fault codes were cleared with the diagnostic tool and the vehicle performed as expected during a road test.
*****
The electric fuel pump on a vehicle with a spark ignition engine is controlled by a fuel pump relay. The engine control module (ECM) activates the relay when operating conditions are correct.
For safety purposes, the fuel pump relay is only activated when an engine speed signal is received by the ECM.
This reduces the risk of a fuel leak if a vehicle is in a collision and a fuel pipe is damaged, if the engine cuts out the fuel pump will be deactivated.
However the ECM can activate the relay to prime the fuel system to allow quicker start-up of the engine. The relay is activated for three to five seconds when the ignition is switched on or when the driver’s door is opened.
The relay used for controlling the fuel pump is normally a basic four-pin, normally-open relay. This means the relay contacts are open when there is no current flow through the winding.
A relay is an electro-mechanical switch which uses the magnetic properties of winding when an electrical current is passed through it.
This is an electro-magnet and the current flow through the winding creates a magnetic field which is only present when the circuit is electrically complete.
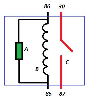
The ECM provides a ground circuit for the winding to complete the circuit. Due to the physical nature of the winding a comparatively strong magnetic field is created for a relatively small amount of current flow. The pins on the relay are normally numbered for identification.
| Function |
Terminal Assignment (DIN Spec) |
| Constant supply |
30 |
| Output to electrical load |
87 |
| Ignition on supply to winding |
86 |
| Ground control side of the winding |
85 |

- Clamping diode
- Relay winding (coil)
- Relay contacts
Some relays can use a diode (A) to quickly reduce the magnetic field in the winding when the relay is deactivated. This reduces any residual magnetism within the winding and allows the relay contacts to open and the circuit to the electrical load is interrupted.
A relay can be tested in the vehicle using a diagnostic tool. An actuator test can be performed and using a volt meter the circuit can be tested for correct operation. The actuator test commands the ECM to ground the relay winding.
Current will flow through the winding and the resultant magnetic field will attract the relay contacts closing the switch.
Current can now flow through the relay contacts and to the electrical load.
The winding side of the relay is often referred to as the primary circuit, the contacts side of the relay is referred to as the secondary circuit.